您的当前位置:网站首页 > 新闻中心
新闻中心
电动截止阀的工作原理和选型
2020/09/22
电动截止阀在安装时具有方向性,只允许单向流动,其型号可分为给水阀、冷凝器或除氧器、减温阀等等,下面就由小编来为大家详细介绍一下。
一、电动截止阀概述
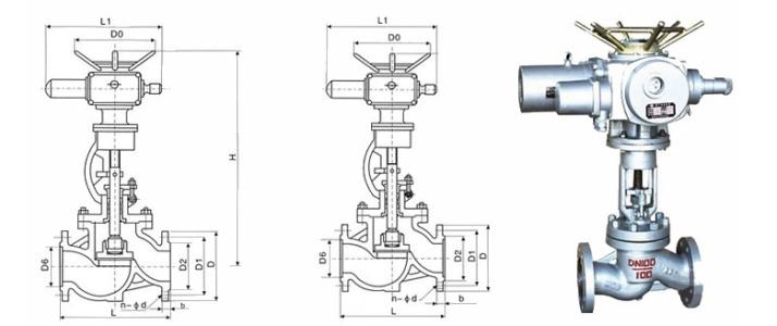
电动截止阀是在截止阀的基础上安装了电动执行器,阀门开启和关闭由电动装置来控制。阀与执行机构的连接采用直连方式,电动执行机构内置伺服系统,无须另配伺服放大器,输入4-20mA信号及220VAC电源即可控制运转。具有连线简单,结构紧凑、尺寸小、重量轻、阻力小、动作稳定可靠等优点。还可以根据要求现场手动操作,执行机构带手、电动切换机构。除就地操作外,还可进行远距离操作。
二、电动截止阀工作原理
电动截止阀的闭合原理是,依靠电动推力旋转阀杠,使阀瓣密封面与阀座密封面紧密贴合,阻止介质流通。电动截止阀只许介质单向流动,安装时有方向性。截止阀的结构长度大于闸阀,同时流体阻力大,长期运行时,密封可靠性不强。
1、在关闭位置,阀体受阀杆的机械施压作用,阀瓣密封面紧压在阀座上。
2、当逆时针转动手轮时,阀杆则反向运动,其底部角形平面使阀体脱开阀座。
3、阀杆继续提升,并与阀杆螺旋槽内的导销相互作用,使阀瓣开始无摩擦地旋转。
4、直至到全开位置,阀杆提升到极限位置,旋转到全开位置。
多数工况来看电力流程实际上是水、蒸汽的循环流程,在此流程中选用控制阀既简单又复杂。简单的是过程介质简单,只有水和蒸汽两种,复杂的是水和蒸汽的温度与压力波动范围大,带来系列问题如:闪蒸、气蚀、冲刷、噪音、腐蚀。但首先要考虑的是控制阀的安全性与可靠性。
1、给水阀(主、附锅炉给水阀、复合型给水调节阀)
控制要求:控制锅炉进水量,保证蒸汽蒸发量,维持锅炉水位(主、附型锅炉给水阀系统包含两个控制阀,一台用于锅炉启动时使用,一台用于正常给水使用)。
工况情况:锅炉启动时阀门压差可达100-300公斤,流量较小,正常运行时压差较小,流量大,流量可调比为75/1-100/1。
阀门要求:WCB/WC9,对于双阀系统中的启动阀要求抗气蚀,V级关闭等级,对于复合型给水阀需使用特性化阀内件同时满足锅炉启动与正常运行时的需要。一般阀门选择为故障关。
2、锅炉给水泵最小流量循环阀
控制要求:使锅炉给水泵安全启动及停止运行,消除因流量过小、温升增加、水强烈气蚀使泵损坏。(老式电站有使用开关型的最小流量控制阀,同时还有使用机械式的泵自动循环阀)。
工况情况:压降达160-350公斤,是电站系统中承受压差最大的阀门,流量为正常流量的30%。
阀门要求:抗气蚀,防堵结构,V级密封等级,泵启动与停止运行时阀门连续工作,泵正常启动后此阀门关闭,阀门通常为故障开。
高低加热器疏水阀(给水加热器疏水、冷凝水加热器疏水)
控制要求:控制加热器中冷凝水的位置,及时将冷凝水排放,高水位排放,正常水位疏水
工况情况:饱和水,加热器之间的控制阀压差一般为6-30公斤,最后一级疏水阀直接连接
3、冷凝器或除氧器
阀门要求:抗闪蒸冲刷,V或VI级密封等级,阀门通常为故障开。
除氧器水位控制阀(DALC)
控制要求:提供流量保持除氧器正常水位,通过加入蒸汽提高水温消除溶解在水中的气体。
工况情况:启动阶段流量较小,压差大温度,正常情况流量大,压差小,工况类似给水阀。
阀门要求:较低流量时有效抗气蚀。
4、减温阀(减温器)
控制要求:将高压水喷射入蒸汽中使蒸汽温度达到控制要求,工况情况:水,压差较大,
阀门要求:类型多样:喷嘴型,辅助雾化型,自我包容型及对夹型。
减温减压阀(高、低压旁路阀)
控制要求:将高温高压蒸汽调整到一定温度压力的蒸汽,给汽机提供一个旁路通道,锅炉能够独立汽机而工作。
阀门要求:抗热冲击,降噪,反应迅速。
工况情况:高温高压蒸汽。
以上就是小编对“电动截止阀的工作原理和选型”的总结,希望能够帮助到您。
一、电动截止阀概述
电动截止阀是在截止阀的基础上安装了电动执行器,阀门开启和关闭由电动装置来控制。阀与执行机构的连接采用直连方式,电动执行机构内置伺服系统,无须另配伺服放大器,输入4-20mA信号及220VAC电源即可控制运转。具有连线简单,结构紧凑、尺寸小、重量轻、阻力小、动作稳定可靠等优点。还可以根据要求现场手动操作,执行机构带手、电动切换机构。除就地操作外,还可进行远距离操作。
二、电动截止阀工作原理
电动截止阀的闭合原理是,依靠电动推力旋转阀杠,使阀瓣密封面与阀座密封面紧密贴合,阻止介质流通。电动截止阀只许介质单向流动,安装时有方向性。截止阀的结构长度大于闸阀,同时流体阻力大,长期运行时,密封可靠性不强。
1、在关闭位置,阀体受阀杆的机械施压作用,阀瓣密封面紧压在阀座上。
2、当逆时针转动手轮时,阀杆则反向运动,其底部角形平面使阀体脱开阀座。
3、阀杆继续提升,并与阀杆螺旋槽内的导销相互作用,使阀瓣开始无摩擦地旋转。
4、直至到全开位置,阀杆提升到极限位置,旋转到全开位置。
多数工况来看电力流程实际上是水、蒸汽的循环流程,在此流程中选用控制阀既简单又复杂。简单的是过程介质简单,只有水和蒸汽两种,复杂的是水和蒸汽的温度与压力波动范围大,带来系列问题如:闪蒸、气蚀、冲刷、噪音、腐蚀。但首先要考虑的是控制阀的安全性与可靠性。
1、给水阀(主、附锅炉给水阀、复合型给水调节阀)
控制要求:控制锅炉进水量,保证蒸汽蒸发量,维持锅炉水位(主、附型锅炉给水阀系统包含两个控制阀,一台用于锅炉启动时使用,一台用于正常给水使用)。
工况情况:锅炉启动时阀门压差可达100-300公斤,流量较小,正常运行时压差较小,流量大,流量可调比为75/1-100/1。
阀门要求:WCB/WC9,对于双阀系统中的启动阀要求抗气蚀,V级关闭等级,对于复合型给水阀需使用特性化阀内件同时满足锅炉启动与正常运行时的需要。一般阀门选择为故障关。
2、锅炉给水泵最小流量循环阀
控制要求:使锅炉给水泵安全启动及停止运行,消除因流量过小、温升增加、水强烈气蚀使泵损坏。(老式电站有使用开关型的最小流量控制阀,同时还有使用机械式的泵自动循环阀)。
工况情况:压降达160-350公斤,是电站系统中承受压差最大的阀门,流量为正常流量的30%。
阀门要求:抗气蚀,防堵结构,V级密封等级,泵启动与停止运行时阀门连续工作,泵正常启动后此阀门关闭,阀门通常为故障开。
高低加热器疏水阀(给水加热器疏水、冷凝水加热器疏水)
控制要求:控制加热器中冷凝水的位置,及时将冷凝水排放,高水位排放,正常水位疏水
工况情况:饱和水,加热器之间的控制阀压差一般为6-30公斤,最后一级疏水阀直接连接
3、冷凝器或除氧器
阀门要求:抗闪蒸冲刷,V或VI级密封等级,阀门通常为故障开。
除氧器水位控制阀(DALC)
控制要求:提供流量保持除氧器正常水位,通过加入蒸汽提高水温消除溶解在水中的气体。
工况情况:启动阶段流量较小,压差大温度,正常情况流量大,压差小,工况类似给水阀。
阀门要求:较低流量时有效抗气蚀。
4、减温阀(减温器)
控制要求:将高压水喷射入蒸汽中使蒸汽温度达到控制要求,工况情况:水,压差较大,
阀门要求:类型多样:喷嘴型,辅助雾化型,自我包容型及对夹型。
减温减压阀(高、低压旁路阀)
控制要求:将高温高压蒸汽调整到一定温度压力的蒸汽,给汽机提供一个旁路通道,锅炉能够独立汽机而工作。
阀门要求:抗热冲击,降噪,反应迅速。
工况情况:高温高压蒸汽。
以上就是小编对“电动截止阀的工作原理和选型”的总结,希望能够帮助到您。
上一篇:电动截止阀的工作原理和选型
下一篇:电动截止阀的工作原理和选型









